Production Range of Socket Weld Coupling
| Product | Socket Weld Coupling |
| Connection | Socket Weld |
| Size | 1/8″ NPS TO 4″ NPS |
| Pressure Rating | 3000LB, 6000LB, 9000LB (SCH80/XS,SCH160,XXS) |
| Process method | Forged, CNC Machined |
| Standards: | ASME/ANSI B16.11 |
| Certification | EN 10204 3.1 |
- Forged pipe fittings are available in both socket weld and threaded ends.
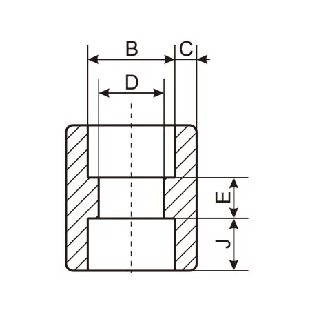
Socket Weld Coupling Dimensions – ASME B16.11

Socket Weld Coupling Drawing
| DN | Nom. | Socket | Bore Dia.Of Fitting | Socket Wall Thickness(2) | Laying Lengths | Depth of | End Wall Thickness | ||||||||||
| Pipe | Bore | D | C | Coupling | Half | Socket | Min. | ||||||||||
| Size | Dia. | Class Designation | E | Coupling | Min. | K | |||||||||||
| B | Class Designation | 3000 | 6000 | 9000 | F | J | Class Designation | ||||||||||
| 3000 | 6000 | 9000 | Ave. | Min. | Ave. | Min. | Ave. | Min. | 3000 | 6000 | 9000 | ||||||
| 6 | 1/8″ | 10.8 | 6.9 | 4 | — | 3.18 | 3.18 | 3.96 | 3.43 | — | — | 6.5 | 16 | 9.5 | 4.8 | 6.4 | — |
| 8 | 1/4″ | 14.2 | 9.3 | 6.4 | — | 3.78 | 3.3 | 4.6 | 4.01 | — | — | 6.5 | 16 | 9.5 | 4.8 | 6.4 | — |
| 10 | 3/8″ | 17.6 | 12.6 | 9.2 | — | 4.01 | 3.5 | 5.03 | 4.37 | — | — | 6.5 | 17.5 | 9.5 | 4.8 | 6.4 | — |
| 15 | 1/2″ | 21.8 | 15.8 | 11.8 | 6.4 | 4.67 | 4.09 | 5.97 | 5.18 | 9.35 | 8.18 | 9.5 | 22.5 | 9.5 | 6.4 | 7.9 | 11.2 |
| 20 | 3/4″ | 27.2 | 21 | 15.6 | 11.1 | 4.9 | 4.27 | 6.96 | 6.04 | 9.78 | 8.56 | 9.5 | 24 | 12.5 | 6.4 | 7.9 | 12.7 |
| 25 | 1″ | 33.9 | 26.7 | 20.7 | 15.2 | 5.69 | 4.98 | 7.92 | 6.93 | 11.38 | 9.96 | 12.5 | 28.5 | 12.5 | 9.6 | 11.2 | 14.2 |
| 32 | 1-1/4″ | 42.7 | 35.1 | 29.5 | 22.8 | 6.07 | 5.28 | 7.92 | 6.93 | 12.14 | 10.62 | 12.5 | 30 | 12.5 | 9.6 | 11.2 | 14.2 |
| 40 | 1-1/2″ | 48.8 | 40.9 | 34 | 28 | 6.35 | 5.54 | 8.92 | 7.8 | 12.7 | 11.12 | 12.5 | 32 | 12.5 | 11.2 | 12.7 | 15.7 |
| 50 | 2″ | 61.2 | 52.5 | 42.9 | 38.2 | 6.93 | 6.04 | 10.92 | 9.5 | 13.84 | 12.12 | 19 | 41 | 16 | 12.7 | 15.7 | 19 |
| 65 | 2-1/2″ | 73.9 | 62.7 | — | — | 8.76 | 7.67 | — | — | — | — | 19 | 43 | 16 | 15.7 | 19 | — |
| 80 | 3″ | 89.8 | 78 | — | — | 9.52 | 8.3 | — | — | — | — | 19 | 44.5 | 16 | 19 | 22.4 | — |
| 100 | 4″ | 115.2 | 102.3 | — | — | 10.69 | 9.35 | — | — | — | — | 19 | 48 | 19 | 22.4 | 28.4 | — |
- Dimensions in Millimeters.
- Average of socket wall thickness around periphery shall be no less than listed values. The minimum values are permitted in localized areas.
- Reducer: C,J,E in accordance with large size.D in accordance with small size. The others in accordance with each size.
Socket Weld Coupling Manufacturers, Suppliers, Stockist – ANSI B16.11, ASTM A105, ASTM A182 F304, F316, F304L, F316L, and A182 F5, F9, F11, F22, F91
- Size: from 1/4″ to 4″ (6mm-100mm), Pressure: 2000LBS, 3000LBS, 6000LBS, 9000LBS
- Dimensions of Socket Weld Coupling as per ASME B16.11
Metallica is a well known manufacturer and supplier of socket weld coupling for the clients from oil and gas, petrochemicals, railway, construction and other industries. We manufacture different size of socket weld coupling by closed die forging. Our main products include various types of socket weld pipe fittings in size range of 1/4″ to 4″ (6mm-100mm), with pressure rating of 2000LBS, 3000LBS, 6000LBS, and 9000LBS. The most common and materials include ASTM A105, ASTM A182 F304, F316, F304L, F316L, and A182 F5/F9/F11/F22/F91. In nickel alloys we manufacture socket weld pipe fittings in various grades such as Alloy 200, 201, 400, K500, 600, 625, 800H/HT, 825, X-750, C276, Hastelloy B & C22.
Forged Socket Weld & Threaded Pipe Fittings Manufacturing Standards
- ASTM A182 – ASME SA182 – Standard Specification for Wrought Austenitic Stainless Steel Piping Fittings
- ASME B16.9 – Factory-Made Wrought Buttwelding Fittings
- ASME B16.11 – Socket Welding and Threaded Forged Fittings
- MSS SP-43 – Wrought and Fabricated Butt-Welding Fittings for Low Pressure, Corrosion Resistant Applications
- MSS SP-95 – Swage(d) Nipples and Bull Plugs
- BS3799 – Specification for Steel pipe fittings, screwed and Socket-welding for the petroleum industry
Socket weld pipe fittings are generally used for small size pipes and piping systems (generally below 4 inches in diameter for Class 3000, and below 2 inches for fittings in class 6000 and 9000). Socket weld pipe fittings are manufactured by forging, followed by heat treatment and machining solid steel as per ASME B16.11 and other dimensional standards. For bigger size piping systems buttweld pipe fittings produced as per ASME B16.9 are used.
Socket Weld Coupling Materials & Grades
- Carbon Steel: ASTM/ASME A/SA 105, ASTM/ASME A 350 LF2, LF3
- Alloy Steel: ASTM/ASME A/SA 182 F1, F5, F9, F11, F12, F22, F91
- Stainless Steel: ASTM A 182 F304, F304L, F304H, F316, F316L, F316Ti, F310, F321, F321H, F317, F347, F347H, F904L
- Duplex & Super Duplex Steel: ASTM A182 F44, F45, F51, F53, F55, F60
- Copper Nickel Alloys: UNS C 70600 (Cu-Ni 90/10), C 71500 (Cu-Ni 70/30), UNS C10100, 10200, 10300, 10800, 12000, 12200
- Nickel Alloys: ASTM SB564, SB160, SB472, SB162 Nickel 200 (UNS N02200), Nickel 201 (UNS N02201), Monel 400 (UNS N04400), Monel 500 (UNS N05500), Inconel 800 (UNS N08800), Inconel 825 (UNS N08825), Inconel 600 (UNS N06600), Inconel 625 (UNS N06625), Inconel 601 (UNS N06601), Hastelloy C 276 (UNS N10276), Alloy 20 (UNS N08020)
