Production Range of Butt Weld Outlet
| Product | Butt Weld Outlet |
| Connection | Butt Weld |
| Size | 1/2″ NPS TO 24″ NPS |
| Pressure Rating | 3000LB, 6000LB, 9000LB (SCH80/XS,SCH160,XXS) |
| Process method | Forged, CNC Machined |
| Standards: | MSS SP 97 |
| Certification | EN 10204 3.1 |
- Thread: NPT, NPSC, BSPT, BSPP, Type: Male and Female
- The MSS SP-97 Standard Practice covers essential dimensions, finish, tolerances, testing, marking, material, and minimum strength requirements for 90 degree integrally reinforced forged branch outlet fittings of buttwelding, socket welding, and threaded types. Fittings manufactured to this Standard Practice are designed to make a fully reinforced branch connection in accordance with applicable piping code requirements, when attached, at an opening in a run pipe by means of a full penetration weld.
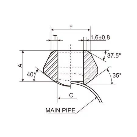
Butt Weld Outlet Dimensions – MSS SP-97

Butt weld Outlet Drawing – Reducing Way
| Out-Let | Reducing Way | ||||
| Pipe | A | C | F | T | |
| NPS | Standard | Extra | |||
| Weight | Strong | ||||
| 1/8″ | 16 | 13.7 | 10.3 | 1.73 | 2.41 |
| 1/4″ | 16 | 13.7 | 13.7 | 2.24 | 3.02 |
| 3/8″ | 19 | 17.1 | 17.1 | 2.31 | 3.2 |
| 1/2″ | 19 | 21.3 | 21.3 | 2.77 | 3.73 |
| 3/4″ | 22 | 26.7 | 26.7 | 2.87 | 3.91 |
| 1″ | 27 | 33.4 | 33.4 | 3.38 | 4.55 |
| 1-1/4″ | 32 | 42.2 | 42.2 | 3.56 | 4.85 |
| 1-1/2″ | 33 | 48.3 | 48.3 | 3.68 | 5.08 |
| 2″ | 38 | 60.3 | 60.3 | 3.91 | 5.54 |
| 2-1/2″ | 41 | 73 | 73 | 5.16 | 7.01 |
| 3″ | 44 | 88.9 | 88.9 | 5.49 | 7.62 |
| 3-1/2″ | 48 | 101.6 | 101.6 | 5.74 | 8.56 |
| 4″ | 51 | 114.3 | 114.3 | 6.02 | 8.56 |
| 5″ | 57 | 141.3 | 141.3 | 6.55 | 9.53 |
| 6″ | 78 | 168.3 | 168.3 | 7.11 | 10.97 |
| 8″ | 99 | 219.3 | 219.3 | 8.11 | 12.7 |
| 10″ | 94 | 273.1 | 273.1 | 9.27 | 12.7 |
| 12″ | 103 | 323.9 | 323.9 | 9.53 | 12.7 |
| 14″ | 100 | 355.6 | 355.6 | 9.53 | 12.7 |
| 16″ | 106 | 406.4 | 406.4 | 9.53 | 12.7 |
| 18″ | 111 | 457.2 | 457.2 | 9.53 | 12.7 |
| 20″ | 119 | 508 | 508 | 9.53 | 12.7 |
| 24″ | 140 | 609.6 | 609.6 | 9.53 | 12.7 |

Buttweld Outlet Olet Drawing – Straight Way
| Out-Let | Staight Way | ||||
| Pipe | A | C | F | T | |
| NPS | Standard | Extra | |||
| Weight | Strong | ||||
| 1/8″ | — | — | — | — | — |
| 1/4″ | 16 | 11.5 | 13.7 | 2.24 | 3.02 |
| 3/8″ | 19 | 14.5 | 17.1 | 2.31 | 3.2 |
| 1/2″ | 19 | 16.5 | 21.3 | 2.77 | 3.73 |
| 3/4″ | 22 | 21.5 | 26.7 | 2.87 | 3.91 |
| 1″ | 27 | 27.2 | 33.4 | 3.38 | 4.55 |
| 1-1/4″ | 32 | 36 | 42.2 | 3.56 | 4.85 |
| 1-1/2″ | 33 | 42 | 48.3 | 3.68 | 5.08 |
| 2″ | 38 | 53 | 60.3 | 3.91 | 5.54 |
| 2-1/2″ | 41 | 65 | 73 | 5.16 | 7.01 |
| 3″ | 44 | 80 | 88.9 | 5.49 | 7.62 |
| 3-1/2″ | — | — | — | — | — |
| 4″ | 51 | 104 | 114.3 | 6.02 | 8.56 |
- Dimensions in Millimeters.
- Weld Bevel in accordance with ASME B16.25
- Outside size 4 and less fit a number of run pipe sizes and the fitting are marked accordingly.
- Outside size 5 and up order to specific size combination.
Dimensional tolerance of MSS-SP97
| Item | 1/8″to3/4″ | 1″to4″ | 5″to12″ | 14″to24 |
| Face of fitting to crotch(A) | ±0.76 | ±1.52 | ±3.05 | ±4.83 |
MSS SP-97 Forged Branch Outlet Fittings – Socket Welding, Threaded, Buttwelding Ends – ASTM A105, A182 F304, F316, F304L, F316L, and A182 F5, F9, F11, F22, F91
- Size: from 1/2″ NPS TO 24″ NPS, Pressure Rating: 3000LB, 6000LB (SCH80/XS,SCH160), Thread: NPT, NPSC, BSPT, BSPP, Type: Male and Female
- Types of Outlets – Butt Weld Outlet, Socket Weld Outlet, Threaded Outlet, Elbow Outlet, Lateral Outlet, Nipple Outlet, Sweep Outlet, Flanged Nipple Outlet
Metallica is a well known manufacturer and supplier of forged branch outlet fittings for the clients from oil and gas, petrochemicals, railway, construction and other industries. Branch outlets are popularly known as Olets, which is a registered trademark of Bonney Forge. Fittings may be made to special dimensions, size, shape, tolerances, or of other wrought material by agreement between the manufacturer and the purchaser. We can produce forged branch outlet fittings in size range of 1/2″ to 24″. The most common and materials include ASTM A105, ASTM A182 F304, F316, F304L, F316L, and A182 F5/F9/F11/F22/F91. In nickel alloys we manufacturing forged branch outlets in various grades such as Alloy 200, 201, 400, K500, 600, 625, 800H/HT, 825, X-750, C276, Hastelloy B & C22.
Forged Socket Weld & Threaded Pipe Fittings Manufacturing Standards
- ASTM A182 – ASME SA182 – Standard Specification for Wrought Austenitic Stainless Steel Piping Fittings
- ASME B16.9 – Factory-Made Wrought Buttwelding Fittings
- ASME B16.11 – Socket Welding and Threaded Forged Fittings
- MSS SP-43 – Wrought and Fabricated Butt-Welding Fittings for Low Pressure, Corrosion Resistant Applications
- MSS SP-95 – Swage(d) Nipples and Bull Plugs
- BS3799 – Specification for Steel pipe fittings, screwed and Socket-welding for the petroleum industry
- MSS SP-83 – Socket Welding and Threaded Steel Pipe Unions
- MSS SP-97 – Integrally Reinforced Forged Branch Outlet Fittings –Socket Welding, Threaded, and Buttwelding Ends
Socket weld and threaded fittings are generally used for small size pipes and piping systems (generally below 4 inches in diameter for Class 3000, and below 2 inches for fittings in class 6000 and 9000). Forged pipe fittings are manufactured by forging, followed by heat treatment and machining solid steel as per the dimensional standards. For bigger size piping systems buttweld pipe fittings produced as per ASME B16.9 are used.
Socket Weld & Threaded Union Materials & Grades
- Carbon Steel: ASTM/ASME A/SA 105, ASTM/ASME A 350 LF2, LF3
- Alloy Steel: ASTM/ASME A/SA 182 F1, F5, F9, F11, F12, F22, F91
- Stainless Steel: ASTM A 182 F304, F304L, F304H, F316, F316L, F316Ti, F310, F321, F321H, F317, F347, F347H, F904L
- Duplex & Super Duplex Steel: ASTM A182 F44, F45, F51, F53, F55, F60
- Copper Nickel Alloys: UNS C 70600 (Cu-Ni 90/10), C 71500 (Cu-Ni 70/30), UNS C10100, 10200, 10300, 10800, 12000, 12200
- Nickel Alloys: ASTM SB564, SB160, SB472, SB162 Nickel 200 (UNS N02200), Nickel 201 (UNS N02201), Monel 400 (UNS N04400), Monel 500 (UNS N05500), Inconel 800 (UNS N08800), Inconel 825 (UNS N08825), Inconel 600 (UNS N06600), Inconel 625 (UNS N06625), Inconel 601 (UNS N06601), Hastelloy C 276 (UNS N10276), Alloy 20 (UNS N08020)
