ASME B16.9 Equal or Straight Tee & Cross Manufacturers, Suppliers, Stockist – ASTM A403, ASTM A234 Buttweld Pipe Fittings Manufacturers, Buttwelding Tee Factory
- Metallica is a prominent manufacturer of equal tee or straight tee in India, with sales across the globe. Our products are quality certified, and are supplied with relevant test certificates. Metallica is one of leading carbon steel tee, stainless steel tee, alloy steel tee manufacturer and supplier for all types, sizes, shapes. We also manufacture customised products as per customers’ requirements and ensure 100% best quality and tested products.
- An equal tee is the most common pipe fitting. It is used to either combine or split a fluid flow. It is a type of pipe fitting which is T-shaped having two outlets, at 90° to the connection to the main line. It is a short piece of pipe with a lateral outlet. A tee is used for connecting pipes of different diameters or for changing the direction of pipe runs. They are made of various materials and available in various sizes and finishes. They are extensively used in pipeline networks to transport two-phase fluid mixtures. When we call a steel tee “equal tee”, means the branch diameter of this tee is same with the main pipe (Run pipe) diameter of this tee. When we see only one size of tee in its description, it means this tee is the equal tee.
- We are a specialist manufacturer of pipe tee in size range of 1/2″ to 48″ in accordance with ASME B16.9. We also produce custom size pipe tee as per design or drawing from our customers. A pipe tee can be manufactured in seamless, pipe welded or fabricated form. While seamless tee can be produced upto size of 24″, we can produce welded and fabricated reducers upto a size range of 48″ or even higher in some cases.
Stock & Production Range of Equal or Straight Tee
| Product | Reducing Tee |
| Type | Seamless or Welded |
| Size | Seamless size from DN15-DN700; Welding size:DN200-DN2000 |
| Thickness | SCH10,SCH20,SCH30,STD,SCH40,SCH60,SCH80,SCH100,SCH120,SCH160,XS, XXS HIGH THICKNESS TO 80 MM |
| Material | Materials : |
| * A234 – WPB WP5, WP9, WP11, WP22 | |
| * A420 – WPL3/ WPL6 | |
| * A403 – WP304/L; WP316/L | |
| * A860-WPHY 42-46/52-60/65-70 | |
| Special Materials such as Monel, Inconel, Cu-Ni, Duplex SS etc are available on request | |
| Standard | ASME B16.9 |
| Face | Coatings: Special Coating i.e. Cement Mortar Lining, FBE Coating, Galvanized (Hot Dipped Electro-Plating) etc. can be provided |
| Inspection | Chemical Elements, Mechanical Property, Metallographic Test, HIC /SSC, Heat Treatment, Ultrasonic Test, Penetration Test, Magnetic Powder Test, X-Ray Test, Hydraulic Pressure Test, Blasting Experiment, we can make them according to your request. |
| Application | Water Disposal, Electric Power, Chemical Engineering, Ship Building, Nuclear Energy, Garbage Disposal, Natural Gas, Petroleum Oil. |
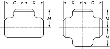
Dimensions of ASME B16.9 Straight Tee and Crosses

- The technical drawing of ASME B16.9 straight tees and crosses
| Nominal Pipe Size | Outside Diameter at Bevel | Center to End | Center to End |
| NPS | mm. | Run, C | Outlet, M |
| in. | mm. | mm. | |
| in. | in. | ||
| 1/2 | 21.3 | 25 | 25 |
| 0.84 | 1 | 1 | |
| 3/4 | 26.7 | 29 | 29 |
| 1.05 | 1.12 | 1.12 | |
| 1 | 33.4 | 38 | 38 |
| 1.32 | 1.5 | 1.5 | |
| 1 1/4 | 42.2 | 48 | 48 |
| 1.66 | 1.88 | 1.88 | |
| 1 1/2 | 48.3 | 57 | 57 |
| 1.9 | 2.25 | 2.25 | |
| 2 | 60.3 | 64 | 64 |
| 2.38 | 2.5 | 2.5 | |
| 2 1/2 | 73 | 76 | 76 |
| 2.88 | 3 | 3 | |
| 3 | 88.9 | 86 | 86 |
| 3.5 | 3.38 | 3.38 | |
| 3 1/2 | 101.6 | 95 | 95 |
| 4 | 3.75 | 3.75 | |
| 4 | 114.3 | 105 | 105 |
| 4.5 | 4.12 | 4.12 | |
| 5 | 141.3 | 124 | 124 |
| 5.56 | 4.88 | 4.88 | |
| 6 | 168.3 | 143 | 143 |
| 6.62 | 5.62 | 5.62 | |
| 8 | 219.1 | 178 | 178 |
| 8.62 | 7 | 7 | |
| 10 | 273 | 216 | 216 |
| 10.75 | 8.5 | 8.5 | |
| 12 | 323.8 | 254 | 254 |
| 12.75 | 10 | 10 | |
| 14 | 355.6 | 279 | 279 |
| 14 | 11 | 11 | |
| 16 | 406.4 | 305 | 305 |
| 16 | 12 | 12 | |
| 18 | 457 | 343 | 343 |
| 18 | 13.5 | 13.5 | |
| 20 | 508 | 381 | 381 |
| 20 | 15 | 15 | |
| 22 | 559 | 419 | 419 |
| 22 | 16.5 | 16.5 | |
| 24 | 610 | 432 | 432 |
| 24 | 17 | 17 | |
| 26 | 660 | 495 | 495 |
| 26 | 19.5 | 19.5 | |
| 28 | 711 | 521 | 521 |
| 28 | 20.5 | 20.5 | |
| 30 | 762 | 559 | 559 |
| 30 | 22 | 22 | |
| 32 | 813 | 597 | 597 |
| 32 | 23.5 | 23.5 | |
| 34 | 864 | 635 | 635 |
| 34 | 25 | 25 | |
| 36 | 914 | 673 | 673 |
| 36 | 26.5 | 26.5 | |
| 38 | 965 | 711 | 711 |
| 38 | 28 | 28 | |
| 40 | 1016 | 749 | 749 |
| 40 | 29.5 | 29.5 | |
| 42 | 1067 | 762 | 711 |
| 42 | 30 | 28 | |
| 44 | 1118 | 813 | 762 |
| 44 | 32 | 30 | |
| 46 | 1168 | 851 | 800 |
| 46 | 33.5 | 31.5 | |
| 48 | 1219 | 889 | 838 |
| 48 | 35 | 33 |